企業(yè)簡介
虹潤概覽
智能制造
知識產權
國家標準
虹潤資質
典型用戶
虹潤文化
領導關懷
虹潤榮譽
社會貢獻
人大履職
新聞動態(tài)
主流媒體
員工之家
虹潤黨建
產品中心
產品訂制
電視臺?視頻
大事記
經典案例
測試中心
常見問題
資料下載
智能客服
人才理念
人才招聘
聯(lián)系方式
物資招標
在線留言
試用申請
English
NHR-X33系列導軌式智能配電器
NHR-X32系列導軌式智能溫度變送器
導軌式智能配電器
智能配電器
NHR-X33系列
虹潤組態(tài)軟件
虹潤?HRStudio?組態(tài)軟件采用開放式密鑰,無點數限制;凡購買虹潤帶有 RS485/232、以太網通訊功能的儀表,單筆訂單滿 3800 元,即免費贈送HRStudio 組態(tài)軟件及對應密鑰;若您在組態(tài)過程中有任何疑問,我們提供專業(yè)遠程協(xié)助。
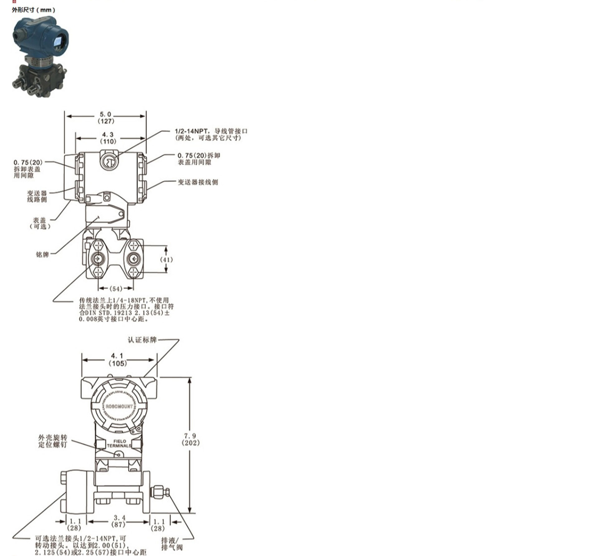
HR-3051DP差壓變送器
HR-3051DP差壓變送器主要用于測量液體、氣體或蒸汽的差壓、壓力、液位和密度,然后將其轉換成4~20mA.DC信號輸出。
咨詢電話 0599-7821390
商務郵箱 hrgs@hrgs.com.cn
直接掃碼
虹潤微信客服
虹潤官方微信
fjhongrun